| key | PART NO. | PART NAME | QTY | SERIAL NO. | REMARKS | |
|---|---|---|---|---|---|---|
| 1 | AKK18592 | Основная рама | 1 | SUB FOR AN400261 OR AKK15546 | ||
| 2 | N404706 | Рама | 1 | |||
| 3 | AN304446 | Рама | 2 | |||
| 4 | 19M9984 | Винт | 4 | M12 X 35 | ||
| 5 | 14M7724 | Стопорная гайка | 4 | M12 | ||
| 6 | N310604 | Втулка | 2 | |||
| 7 | 19M7932 | Винт с головкой | 2 | M8 X 16 | ||
| 8 | 34M7049 | Пружинный шплинт | 6 | 8 X 50 mm | ||
| 9 | N317903 | Винт | 24 | |||
| 10 | 19M9154 | Винт с головкой | 8 | M20 X 60 | ||
| key | PART NO. | PART NAME | QTY | SERIAL NO. | REMARKS | |
| 11 | 24M7547 | Шайба | 8 | 21 X 34 X 3 mm | ||
| 12 | N238846 | Защитный шланг | 2 | |||
| 13 | H77698 | Обвязной хомут | 6 | |||
| 14 | 19M8324 | Винт с головкой | 1 | M10 X 16 | ||
| 15 | 24M7178 | Шайба | 1 | 10.500 X 30 X 2.500 mm | ||
| 17 | 19M10078 | Винт с головкой | 4 | M24 X 110 | ||
| 18 | RE62901 | Изолятор | 4 | |||
| 19 | R128179 | Гильза | 4 | |||
| 20 | R87656 | Шайба | 4 | |||
| 22 | 14M7590 | Фланцевая гайка | AR | M16 | ||
| key | PART NO. | PART NAME | QTY | SERIAL NO. | REMARKS | |
| 23 | AN402069 | Опора | 2 | LH | ||
| AN402068 | Опора | 2 | RH | |||
| 24 | 19M9855 | Винт | 8 | M16 X 45 | ||
| 25 | AN307110 | Опора | 1 | |||
| 26 | N317000 | Прокладка | 2 | |||
| 27 | N317001 | Хомут | 2 | |||
| 28 | KK13629 | Щиток | 1 | Rinse Tank | ||
| 29 | KK13632 | Кронштейн | 1 | |||
| 30 | N310719 | Гайка | 4 | |||
| 31 | 19M9844 | Винт | 5 | M10 X 20 | ||
| key | PART NO. | PART NAME | QTY | SERIAL NO. | REMARKS | |
| 32 | 03M7395 | Болт | 2 | M10 X 25 | ||
| 33 | 14M7648 | Фланцевая гайка | 3 | M10 | ||
| 34 | KK13631 | Щиток | 1 | |||
| 35 | R84299 | Распорная втулка | 1 | |||
| 36 | 14M7677 | Гайка | 24 | M20 | ||
| 37 | CB01499810 | Номерной знак | 1 | |||
| 38 | 37H44 | Винт | 2 | 0.154" X 3/8" | ||
| 39 | RE62910 | Изолятор | 4 |
| key | PART NO. | PART NAME | QTY | SERIAL NO. | REMARKS | ||
|---|---|---|---|---|---|---|---|
| 1 | AKK16173 | Ремонтный комплект | 1 | - | 001991 | ||
| 2 | KK24638 | Пластина | 2 | ||||
| 3 | AKK16174 | Ремонтный комплект | 1 | 001992 | - | ||
| 4 | KK24599 | Пластина | 2 | ||||
| 5 | 37H44 | Винт | 2 | 0.154" X 3/8" Serial Number Plate |
| key | PART NO. | PART NAME | QTY | SERIAL NO. | REMARKS | |
|---|---|---|---|---|---|---|
| 1 | 34M7049 | Пружинный шплинт | 8 | 8 X 50 mm | ||
| 2 | 38H1415 | Фитинг | 1 | |||
| 3 | 38H1416 | Фитинг | 1 | |||
| 4 | N186178 | Крепление со штифтом | 8 | |||
| 5 | AA21292 | Быстрозамыкающийся штифт | 8 | |||
| 6 | N302426 | Регулировочный хомут | 2 | |||
| 7 | N302428 | Регулировочный хомут | 2 |
| key | PART NO. | PART NAME | QTY | SERIAL NO. | REMARKS | |
|---|---|---|---|---|---|---|
| 1 | AN305388 | Лестница | 1 | |||
| 2 | AN305382 | Поддон | 1 | |||
| 3 | 14M7593 | Стопорная гайка | 6 | M10 | ||
| 4 | AT195952 | Быстрозамыкающийся штифт | 1 | |||
| 5 | N317633 | Щиток | 1 | |||
| 6 | 03M7390 | Болт | 4 | M8 X 20 | ||
| 7 | 14M7591 | Стопорная гайка | 6 | M8 | ||
| 8 | N317634 | Кронштейн | 1 | |||
| 9 | T188783 | Гильза | 1 | |||
| 10 | 19M9845 | Винт | 9 | M10 X 25 | ||
| key | PART NO. | PART NAME | QTY | SERIAL NO. | REMARKS | |
| 11 | 19M9977 | Винт | 2 | M8 X 80 | ||
| 12 | AN305785 | Поручень | 1 | |||
| 13 | 19M7785 | Винт | 2 | M10 X 25 | ||
| 14 | 14M7285 | Гайка | 2 | M10 | ||
| 15 | 19M7790 | Винт | 2 | M12 X 35 | ||
| 16 | E63527 | Гайка | 2 | M12 | ||
| 17 | N317340 | Кронштейн | 1 | |||
| 18 | 14M7723 | Стопорная гайка | 2 | M10 | ||
| 19 | KK18930 | Щиток | 1 |
| key | PART NO. | PART NAME | QTY | SERIAL NO. | REMARKS | |
|---|---|---|---|---|---|---|
| 1 | 24H1628 | Шайба | 1 | 29/32" X 1-5/8" X 0.060" | ||
| 2 | 19M9845 | Винт | 24 | M10 X 25 | ||
| 3 | N312695 | Кронштейн | 2 | |||
| 4 | 14M7648 | Фланцевая гайка | 24 | M10 | ||
| 5 | AN302959 | Опора | 1 | |||
| 6 | 24M7605 | Шайба | 2 | 13 X 37 X 3 mm | ||
| 7 | N310094 | Распорная втулка | 2 | |||
| 8 | 19M9986 | Винт | 2 | M10 X 35 | ||
| 9 | 11M7056 | Шплинт | 2 | 8 X 50 mm | ||
| 10 | AN304945 | Опора | 1 | RH | ||
| key | PART NO. | PART NAME | QTY | SERIAL NO. | REMARKS | |
| 11 | R151799 | Крышка | 5 | |||
| 12 | 24H1978 | Шайба | 4 | 1-5/32" X 2" X 0.134" | ||
| 13 | 24H1977 | Шайба | 2 | 1-5/32" X 2" X 0.060" | ||
| 14 | AN304946 | Опора | 1 | LH | ||
| 15 | AN302958 | Опора | 1 | |||
| 16 | 24M7618 | Шайба | 8 | 11 X 20 X 2 mm | ||
| 17 | 19M9837 | Винт | 2 | M8 X 25 | ||
| 18 | 14M7722 | Стопорная гайка | 5 | M8 | ||
| 19 | M74812 | Шайба | 2 | |||
| 20 | 24M7616 | Шайба | 2 | 9 X 16 X 1.600 mm | ||
| key | PART NO. | PART NAME | QTY | SERIAL NO. | REMARKS | |
| 21 | N305038 | Фиксатор | 1 | |||
| 22 | KK21653 | Кронштейн | 1 | |||
| 23 | 03M7413 | Болт | 3 | M8 X 25 | ||
| 24 | 03M7473 | Болт | 8 | M10 X 20 | ||
| 25 | R111382 | Шайба | 16 | 10.300 X 25 X 2.280 mm | ||
| 26 | 19M9847 | Винт | 8 | M10 X 45 | ||
| 27 | R100532 | Гайка | 8 | |||
| 28 | 24M7346 | Шайба | 4 | 11 X 20 X 2 mm | ||
| 29 | N316741 | Труба | 2 | |||
| 30 | AN305420 | Опора | 1 | |||
| key | PART NO. | PART NAME | QTY | SERIAL NO. | REMARKS | |
| 31 | N317698 | Кронштейн | 1 | |||
| 32 | 19M9370 | Винт | 3 | M10 X 30 | ||
| 33 | N400896 | Ограждение | 1 | |||
| 34 | 19M9844 | Винт | 2 | M10 X 20 | ||
| 35 | 14M7648 | Фланцевая гайка | 1 | M10 | ||
| 36 | 14M7723 | Стопорная гайка | 6 | M10 | ||
| 37 | KK21590 | Пластина | 1 | |||
| 38 | KK21589 | Пластина | 1 |
| key | PART NO. | PART NAME | QTY | SERIAL NO. | REMARKS | |
|---|---|---|---|---|---|---|
| 1 | 03M7474 | Болт | 3 | M8 X 16 | ||
| 2 | 03M7395 | Болт | 24 | M10 X 25 | ||
| 3 | 14M7649 | Фланцевая гайка | 3 | M8 | ||
| 4 | 14M7723 | Стопорная гайка | 17 | M10 | ||
| 5 | N314733 | Платформа | 1 | |||
| 6 | 19M7784 | Винт | 4 | M10 X 20 | ||
| 7 | 19M9845 | Винт | 24 | M10 X 25 | ||
| 8 | 19M7786 | Винт | 4 | M10 X 30 | ||
| 9 | 19M9984 | Винт | 17 | M12 X 35 | ||
| 10 | 19M7867 | Винт | 2 | M8 X 25 | ||
| key | PART NO. | PART NAME | QTY | SERIAL NO. | REMARKS | |
| 11 | N313294 | Платформа | 1 | |||
| 12 | N313483 | Уголок | 1 | |||
| 13 | 37M7092 | Винт | 5 | M8 X 16 | ||
| 14 | N313477 | Желоб | 1 | |||
| 15 | AN305616 | Опора | 1 | |||
| 16 | AN303186 | Платформа | 1 | |||
| 17 | AN303187 | Платформа | 1 | |||
| 18 | AN303252 | Кронштейн | 1 | |||
| 19 | N317559 | Платформа | 1 | |||
| 20 | AN305381 | Опора | 1 | |||
| key | PART NO. | PART NAME | QTY | SERIAL NO. | REMARKS | |
| 21 | AN305615 | Платформа | 1 | |||
| 22 | 14M7723 | Стопорная гайка | 32 | M10 | ||
| 23 | 14M7724 | Стопорная гайка | 17 | M12 | ||
| 24 | H143834 | Гайка | 1 | |||
| 25 | 37M7446 | Винт | 10 | M10 X 25 | ||
| 26 | N316926 | Опора | 1 | |||
| 27 | N311844 | Опора | 1 | |||
| 28 | N316933 | Опора | 1 | |||
| 29 | N311848 | Платформа | 1 | |||
| 30 | N311890 | Кронштейн | 1 | |||
| key | PART NO. | PART NAME | QTY | SERIAL NO. | REMARKS | |
| 31 | N317612 | Крышка | 1 | |||
| 32 | N311892 | Крышка | 1 | |||
| 33 | N312538 | Уголок | 1 | |||
| 34 | N312544 | Уголок | 1 | |||
| 35 | N313154 | Пластина | 2 | |||
| 36 | N318037 | Панель | 1 | |||
| 37 | N313158 | Панель | 1 | |||
| 38 | N313159 | Панель | 1 | |||
| 39 | N313161 | Кронштейн | 1 | |||
| 40 | 03M7192 | Болт | 6 | M10 X 30 | ||
| key | PART NO. | PART NAME | QTY | SERIAL NO. | REMARKS | |
| 41 | AN305621 | Опора | 1 | |||
| 42 | N317610 | Крышка | 1 | |||
| 43 | 19M10077 | Винт | 1 | M12 X 50 | ||
| 44 | 03M7427 | Болт | 4 | M10 X 30 | ||
| 45 | 24H1970 | Шайба | 4 | 13/32" X 1-1/16" X 0.120" | ||
| 46 | N404583 | Метка | 1 | Wheel Spacing |
| key | PART NO. | PART NAME | QTY | SERIAL NO. | REMARKS | |
|---|---|---|---|---|---|---|
| 1 | AN305380 | Поручень | 1 | Front | ||
| 2 | AN303696 | Поручень | 1 | Mid | ||
| 3 | AN303697 | Поручень | 1 | LH, Front | ||
| 4 | AN303173 | Поручень | 1 | LH, Rear | ||
| 5 | AN303724 | Поручень | 1 | LH, Rear | ||
| 6 | 28H3429 | Шайба | 1 | 0.423" X 0.675" X 3/8" | ||
| 7 | 14M7400 | Стопорная гайка | 12 | M10 | ||
| 8 | 19M7810 | Винт | 2 | M10 X 80 | ||
| 9 | 19M9850 | Винт | 1 | M10 X 65 | ||
| 10 | 19M7786 | Винт | 9 | M10 X 30 | ||
| key | PART NO. | PART NAME | QTY | SERIAL NO. | REMARKS | |
| 11 | 19M7836 | Винт | 2 | M10 X 110 | ||
| 12 | 19M8528 | Винт | 5 | M10 X 55 | ||
| 13 | R111382 | Шайба | 12 | |||
| 14 | 19M9852 | Винт | 2 | M10 X 110 | ||
| 15 | 14M7593 | Стопорная гайка | 3 | M10 | ||
| 16 | E63526 | Гайка | 6 | M10 | ||
| 17 | 24M7178 | Шайба | 6 | 10.500 X 30 X 2.500 mm | ||
| 18 | AN302769 | Опора | 1 | |||
| 19 | 19M8292 | Винт | 2 | M10 X 50 | ||
| 20 | 19M9852 | Винт | 3 | M10 X 110 | ||
| key | PART NO. | PART NAME | QTY | SERIAL NO. | REMARKS | |
| 21 | AL78021 | Зеркало | 1 |
| key | PART NO. | PART NAME | QTY | SERIAL NO. | REMARKS | |
|---|---|---|---|---|---|---|
| 1 | 03M7395 | Болт | 17 | M10 X 25 | ||
| 2 | 03M7427 | Болт | 7 | M10 X 30 | ||
| 3 | 03M7474 | Болт | 3 | M8 X 16 | ||
| 4 | 14M7649 | Фланцевая гайка | 3 | M8 | ||
| 5 | 14M7707 | Стопорная гайка | 2 | M8 | ||
| 6 | 14M7723 | Стопорная гайка | 62 | M10 | ||
| 7 | 14M7724 | Стопорная гайка | 22 | M12 | ||
| 8 | 19M10089 | Винт | 1 | M12 X 80 | ||
| 9 | 19M9370 | Винт | 18 | M10 X 30 | ||
| 10 | 19M9837 | Винт | 2 | M8 X 25 | ||
| key | PART NO. | PART NAME | QTY | SERIAL NO. | REMARKS | |
| 11 | 19M9845 | Винт | 27 | M10 X 25 | ||
| 12 | 19M9848 | Винт | 5 | M10 X 55 | ||
| 13 | 19M9850 | Винт | 1 | M10 X 65 | ||
| 14 | 19M9852 | Винт | 5 | M10 X 110 | ||
| 15 | 19M9984 | Винт | 13 | M12 X 35 | ||
| 16 | 24H1970 | Шайба | 4 | 13/32" X 1-1/16" X 0.120" | ||
| 17 | 24M7520 | Шайба | 2 | 8.400 X 24 X 2 mm | ||
| 18 | 24M7545 | Шайба | 6 | 10.500 X 30 X 2.500 mm | ||
| 19 | 37M7431 | Винт | 5 | M8 X 16 | ||
| 20 | 37M7446 | Винт | 10 | M10 X 25 | ||
| key | PART NO. | PART NAME | QTY | SERIAL NO. | REMARKS | |
| 21 | AKK15994 | Поручень | 1 | |||
| 22 | N206140 | Распорная втулка | 3 | |||
| 23 | N318402 | Распорная втулка | 4 | |||
| 24A | AKK16551 | Опора | 1 | ORDER AKK19255 | ||
| 24B | AKK19255 | Опора | 1 | |||
| 25 | AN302769 | Опора | 1 | |||
| 26 | AN303338 | Дверца | 1 | |||
| 27 | AN303696 | Поручень | 1 | |||
| 28 | AN305380 | Поручень | 1 | |||
| 29 | KK23821 | Крышка | 1 | |||
| key | PART NO. | PART NAME | QTY | SERIAL NO. | REMARKS | |
| 30 | N311890 | Кронштейн | 1 | |||
| 31 | N313154 | Пластина | 1 | |||
| 32 | N313294 | Платформа | 1 | |||
| 33 | N316926 | Опора | 1 | |||
| 34 | N316933 | Опора | 1 | |||
| 35 | N318925 | Шайба | 8 | |||
| 36 | R65514 | Полоса | 2 | |||
| 37 | AKK16561 | Платформа | 1 | |||
| 38 | AKK16562 | Поручень | 1 | |||
| 39 | AN305615 | Платформа | 1 | |||
| key | PART NO. | PART NAME | QTY | SERIAL NO. | REMARKS | |
| 40 | AN305616 | Опора | 1 | |||
| 41 | AN305621 | Опора | 1 | |||
| 42 | N310719 | Гайка | 1 | |||
| 43 | N311844 | Опора | 1 | |||
| 44 | N311848 | Платформа | 1 | |||
| 45 | N311892 | Крышка | 1 | |||
| 46 | N312544 | Уголок | 1 | |||
| 47 | N312538 | Уголок | 1 | |||
| 48 | N313158 | Панель | 1 | |||
| 49 | N313159 | Панель | 1 | |||
| key | PART NO. | PART NAME | QTY | SERIAL NO. | REMARKS | |
| 50A | N313477 | Желоб | 1 | ORDER KK29243 | ||
| 50B | KK29243 | Желоб | 1 | |||
| 51 | N313483 | Уголок | 1 | |||
| 52 | N317559 | Платформа | 1 | |||
| 53 | N318037 | Панель | 1 | |||
| 54 | N317612 | Крышка | 1 | |||
| 55 | AN303186 | Платформа | 1 | |||
| 56 | AN303252 | Кронштейн | 1 | |||
| 57 | 19M9988 | Винт | 2 | M10 X 100 | ||
| 58 | AKK18392 | Платформа | 1 | |||
| key | PART NO. | PART NAME | QTY | SERIAL NO. | REMARKS | |
| 59 | 19M9980 | Винт | 8 | M12 X 65 | ||
| 60 | 19M9986 | Винт | 2 | M10 X 35 | ||
| 61 | N316708 | Втулка | 6 | |||
| 62 | KK41329 | Пластина | 1 |
| key | PART NO. | PART NAME | QTY | SERIAL NO. | REMARKS | |
|---|---|---|---|---|---|---|
| 1 | KK18655 | Щиток | 1 | |||
| 2 | KK18654 | Пластина | 1 | ORDER KK23135 | ||
| 2A | KK23135 | Пластина | 1 | |||
| 3 | KK19412 | Пластина | 1 | ORDER KK23135 | ||
| 4 | AKK13711 | Труба | 1 | |||
| 5A | KK19365 | Кронштейн | 1 | ORDER KK23308 | ||
| 5B | KK23308 | Кронштейн | 1 | |||
| 6 | KK19366 | Кронштейн | 2 | |||
| 7 | KK19537 | Пластина | 1 | |||
| 8 | N221252 | Хомут | 2 | |||
| key | PART NO. | PART NAME | QTY | SERIAL NO. | REMARKS | |
| 9 | B13403 | Крючок | 2 | |||
| 10 | 03M7413 | Болт | 2 | M8 X 25 | ||
| 11 | 19M9834 | Винт | 2 | M6 X 45 | ||
| 12 | 14M7591 | Стопорная гайка | 2 | M8 | ||
| 13 | 24M7463 | Шайба | 2 | 6.400 X 18 X 1.600 mm | ||
| 14 | 14M7592 | Стопорная гайка | 2 | M6 | ||
| 15 | H77698 | Обвязной хомут | 3 |
| key | PART NO. | PART NAME | QTY | SERIAL NO. | REMARKS | |
|---|---|---|---|---|---|---|
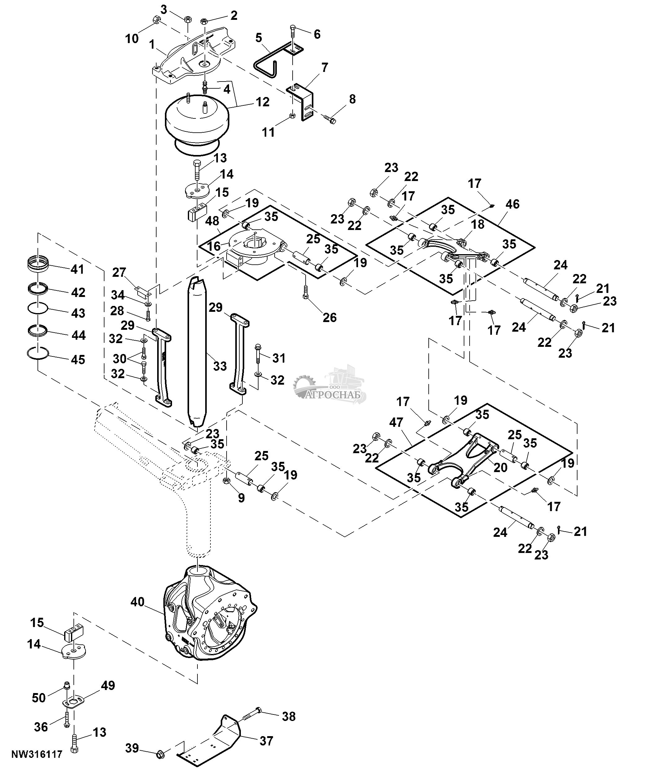
| 1 | N204123 | Кронштейн | 1 | |||
| 2 | AN202547 | Клапан | 1 | Пневматическая рессора | ||
| 3 | 14M7652 | Фланцевая гайка | 1 | M20 | ||
| 4 | AN205362 | Амортизатор | 1 | Пневматическая рессора | ||
| 5 | 19M9374 | Винт с головкой | 2 | M24 X 90 | ||
| 6 | N400967 | Пружинная шайба | 2 | |||
| 7 | N409310 | Кнопка | 2 | |||
| 8 | N400972 | Рулевая сошка | 1 | |||
| 9 | N400992 | Распорная втулка | 2 | |||
| 10 | N209346 | Прокладка | 6 | |||
| key | PART NO. | PART NAME | QTY | SERIAL NO. | REMARKS | |
| 11 | N400973 | Пластина | 1 | |||
| 12 | 24H1980 | Шайба | 6 | 1-9/64" X 1-3/4" X 0.134" | ||
| 13 | N404685 | Гайка | 6 | M24 | ||
| 14 | 11H222 | Шплинт | 6 | 3/16" X 2" | ||
| 15 | N302245 | Стержень | 3 | |||
| 16 | 19M7789 | Винт | 4 | M12 X 30 | ||
| 17 | AN202546 | Резиновая прокладка | 2 | |||
| 18 | 19M9830 | Винт | 4 | M6 X 12 | ||
| 19 | N204088 | Рукоять | 2 | |||
| 20 | 19M7759 | Винт с головкой | 2 | M16 X 60 | ||
| key | PART NO. | PART NAME | QTY | SERIAL NO. | REMARKS | |
| 21 | 19M10110 | Винт с головкой | 6 | M16 X 55 | ||
| 22 | N302269 | Втулка | 3 | |||
| 23 | 24M7097 | Шайба | 8 | 17 X 28 X 2.500 mm | ||
| 24 | N400969 | Шпиндель | 1 | |||
| N409308 | Шпиндель | 1 | Для Северной Америки | |||
| 25 | 19M8112 | Винт | 6 | M12 X 55 | ||
| 26 | AN207690 | Рулевая сошка | 1 | LH | ||
| AN207688 | Рулевая сошка | 1 | RH | |||
| 27 | N317051 | Стопор | 1 | |||
| N317053 | Стопор | 1 | ||||
| key | PART NO. | PART NAME | QTY | SERIAL NO. | REMARKS | |
| 28 | JD7844 | Смазочная арматура | 8 | |||
| 29 | 19M9841 | Винт | 2 | M8 X 50 | ||
| 30 | 14M7300 | Фланцевая гайка | 1 | M20 | ||
| 31 | 14H875 | Гайка | 2 | 7/8" | ||
| 32 | 11M7087 | Шплинт | 2 | 4 X 40 mm | ||
| 33 | N204094 | Упорная шайба | 3 | |||
| 34 | N302247 | Втулка | 12 | |||
| 35 | 24M7463 | Шайба | 4 | 6.400 X 18 X 1.600 mm | ||
| 36 | N310758 | Кронштейн | 1 | |||
| 37 | N311447 | Щиток | 1 | |||
| key | PART NO. | PART NAME | QTY | SERIAL NO. | REMARKS | |
| 38 | 19M10374 | Винт с головкой | 2 | M10 X 60 | ||
| 39 | 14M7296 | Фланцевая гайка | 2 | M10 | ||
| 40 | N205639 | Стопор | 1 | |||
| 41 | N205629 | Сальник | 1 | |||
| 42 | N205682 | Уплотнительное кольцо | 1 | |||
| 43 | N205628 | Сальник | 1 | |||
| 44 | N205638 | Компенсационное кольцо | 1 | |||
| 45 | N318606 | Кронштейн | 1 | LH (Illustrated) | ||
| N318643 | Кронштейн | 1 | RH | |||
| 46 | 19M9836 | Винт | 2 | M8 X 20 | ||
| key | PART NO. | PART NAME | QTY | SERIAL NO. | REMARKS | |
| 47 | AN207684 | Кулиса | 1 | |||
| 48 | AN207685 | Кулиса | 1 | |||
| 49 | AN400528 | Рулевая сошка | 1 | |||
| 50 | 19M10370 | Винт | 6 | M12 X 55 |
| key | PART NO. | PART NAME | QTY | SERIAL NO. | REMARKS | |
|---|---|---|---|---|---|---|
| 1 | N310754 | Кронштейн | 1 | |||
| 2 | 14M7652 | Фланцевая гайка | 1 | M20 | ||
| 3 | 14M7300 | Фланцевая гайка | 1 | M20 | ||
| 4 | AN202547 | Клапан | 1 | Пневматическая рессора | ||
| 5 | AN204272 | Стрелка | 1 | LH | ||
| AN204271 | Стрелка | 1 | RH | |||
| 6 | 19M7867 | Винт | 2 | M8 X 25 | ||
| 7 | N207345 | Уголок | 1 | |||
| 8 | N207984 | Винт | 2 | M6 X 50 | ||
| 9 | N306777 | Фланцевая гайка | 2 | |||
| key | PART NO. | PART NAME | QTY | SERIAL NO. | REMARKS | |
| 10 | N207956 | Стопорная гайка | 2 | M6 | ||
| 11 | E63525 | Гайка | 2 | M8 | ||
| 12 | AN209716 | Амортизатор | 1 | Пневматическая рессора | ||
| 13 | 19M9374 | Винт с головкой | 2 | M24 X 90 | ||
| 14 | N400967 | Пружинная шайба | 2 | |||
| 15 | N409310 | Кнопка | 2 | |||
| 16 | N400972 | Рулевая сошка | 1 | |||
| 17 | JD7844 | Смазочная арматура | 6 | |||
| 18 | ...... | Кулиса | 1 | ORDER AN207684 | ||
| 19 | N209346 | Прокладка | 6 | |||
| key | PART NO. | PART NAME | QTY | SERIAL NO. | REMARKS | |
| 20 | ...... | Кулиса | 1 | ORDER AN207685 | ||
| 21 | 11H222 | Шплинт | 6 | 3/16" X 2" | ||
| 22 | 24H1980 | Шайба | 6 | 1-9/64" X 1-3/4" X 0.134" | ||
| 23 | N404685 | Гайка | 6 | M24 | ||
| 24 | N302245 | Стержень | 3 | |||
| 25 | N302269 | Втулка | 3 | |||
| 26 | 19M7789 | Винт | 4 | M12 X 30 | ||
| 27 | AN202546 | Резиновая прокладка | 2 | |||
| 28 | 19M9830 | Винт | 4 | M6 X 12 | ||
| 29 | N310756 | Рукоять | 2 | |||
| key | PART NO. | PART NAME | QTY | SERIAL NO. | REMARKS | |
| 30 | 19M10110 | Винт с головкой | 6 | M16 X 55 | ||
| 31 | N404419 | Винт с головкой | 2 | |||
| 32 | 24M7097 | Шайба | 8 | 17 X 28 X 2.500 mm | ||
| 33 | N400970 | Шпиндель | 1 | |||
| N409309 | Шпиндель | 1 | Для Северной Америки | |||
| 34 | 24M7463 | Шайба | 4 | 6.400 X 18 X 1.600 mm | ||
| 35 | N302247 | Втулка | 12 | |||
| 36 | 19M9841 | Винт | 2 | M8 X 50 | ||
| 37 | N311447 | Щиток | 1 | |||
| 38 | 19M10374 | Винт с головкой | 2 | M10 X 60 | ||
| key | PART NO. | PART NAME | QTY | SERIAL NO. | REMARKS | |
| 39 | 14M7296 | Фланцевая гайка | 2 | M10 | ||
| 40 | N310758 | Кронштейн | 1 | |||
| 41 | N205639 | Стопор | 1 | |||
| 42 | N205629 | Сальник | 1 | |||
| 43 | N205682 | Уплотнительное кольцо | 1 | |||
| 44 | N205628 | Сальник | 1 | |||
| 45 | N205638 | Компенсационное кольцо | 1 | |||
| 46 | AN207684 | Кулиса | 1 | |||
| 47 | AN207685 | Кулиса | 1 | |||
| 48 | AN400528 | Рулевая сошка | 1 | |||
| key | PART NO. | PART NAME | QTY | SERIAL NO. | REMARKS | |
| 49 | N400973 | Пластина | 1 | |||
| 50 | N400992 | Распорная втулка | 2 |
| key | PART NO. | PART NAME | QTY | SERIAL NO. | REMARKS | |
|---|---|---|---|---|---|---|
| 1 | 03M7395 | Болт | 4 | M10 X 25 | ||
| 2 | N304261 | Кронштейн | 1 | |||
| 3 | 19M9845 | Винт | 25 | M10 X 25 | ||
| 4 | AN203411 | Щиток | 1 | |||
| 5 | AN206516 | Щиток | 1 | |||
| 6 | AN207301 | Щиток | 1 | |||
| 7 | AN207874 | Щиток | 1 | |||
| 8 | AN209369 | Щиток | 1 | |||
| 9 | N304260 | Кронштейн | 1 | |||
| 10 | N310719 | Гайка | 4 | |||
| key | PART NO. | PART NAME | QTY | SERIAL NO. | REMARKS | |
| 11 | N310718 | Пружинный стопорный штифт | 18 | |||
| 12 | N206020 | Кронштейн | 6 | |||
| 13 | N206031 | Кронштейн | 1 | |||
| 14 | N206059 | Кронштейн | 1 | |||
| 15 | N206393 | Шарнир | 2 | |||
| 16 | N310717 | Крепление со штифтом | 18 | |||
| 17 | N310298 | Гайка | 25 | |||
| 18 | N307853 | Желоб | 4 | |||
| 19 | N304259 | Кронштейн | 2 |
| key | PART NO. | PART NAME | QTY | SERIAL NO. | REMARKS | |
|---|---|---|---|---|---|---|
| 1 | 03M7186 | Болт | 8 | M8 X 30 | ||
| 2 | 03M7193 | Болт | 16 | M10 X 35 | ||
| 3 | 12H245 | Стопорная шайба | 4 | 7/8" | ||
| 4 | 19H3359 | Винт с головкой | 4 | 7/8" X 2" | ||
| 5 | 19M7796 | Винт | 24 | M6 X 30 | ||
| 6 | 24H1425 | Шайба | 4 | 29/32" X 1-1/2" X 0.134" | ||
| 7A | AKK17191 | Щиток | 2 | ORDER AKK21493 and AKK21488; LH | ||
| AKK17203 | Щиток | 2 | ORDER AKK21489 and AKK21488; RH | |||
| 7B | AKK21493 | Щиток | 2 | LH | ||
| AKK21489 | Щиток | 2 | RH | |||
| key | PART NO. | PART NAME | QTY | SERIAL NO. | REMARKS | |
| 8 | AKK17974 | Щиток | 4 | MARKED AN303361 | ||
| 9 | AKK17973 | Пластина | 4 | SUB FOR AN304409 | ||
| 10 | N209709 | Щиток | 4 | |||
| 11 | 28H3381 | Распорная втулка | 16 | 0.493" X 0.675" X 5/8" | ||
| 12 | KK26467 | Крышка | 4 | SUB FOR N317564 | ||
| 13 | C12865 | Формован. фланцевый корпус | 8 | |||
| 14 | JD8562 | Шариковый подшипник | 4 | |||
| 15A | N209722 | Уголок | 4 | ORDER KK33964 | ||
| 15B | KK33964 | Пластина | 4 | |||
| 16 | 03M7413 | Болт | 12 | M8 X 25 | ||
| key | PART NO. | PART NAME | QTY | SERIAL NO. | REMARKS | |
| 17 | 14M7721 | Стопорная гайка | 64 | M6 | ||
| 18 | 19M9986 | Винт | 48 | M10 X 35 | ||
| 19 | 19M9982 | Винт | 4 | M16 X 40 | ||
| 20 | 14M7590 | Фланцевая гайка | 12 | M16 | ||
| 21 | 24M7550 | Шайба | 64 | 6.600 X 22 X 2 mm | ||
| 22 | 14M7722 | Стопорная гайка | 12 | M8 | ||
| 23 | 14M7723 | Стопорная гайка | 84 | M10 | ||
| 24 | 19M9370 | Винт | 12 | M10 X 30 | ||
| 25 | 19M9832 | Винт | 40 | M6 X 25 | ||
| 26 | 14M7649 | Фланцевая гайка | 8 | M8 | ||
| key | PART NO. | PART NAME | QTY | SERIAL NO. | REMARKS | |
| 27 | N209744 | Ременная передача | 8 | |||
| 28 | N209743 | Ременная передача | 4 | |||
| 29 | 19M9856 | Винт | 12 | M16 X 80 | ||
| 30 | 19M10249 | Винт | 16 | M12 X 160 | ||
| 31 | 19M10179 | Винт | 8 | M10 X 70 | ||
| 32 | AKK21488 | Щиток | 4 |
| key | PART NO. | PART NAME | QTY | SERIAL NO. | REMARKS | |
|---|---|---|---|---|---|---|
| 1 | 19M9846 | Винт | 4 | M10 X 40 | ||
| 2 | N305659 | Хомут | 2 | |||
| 3 | KK36656 | Крыло | 1 | SUB FOR N308703 | ||
| 4 | AN205280 | Опора | 1 | RH | ||
| AN205281 | Опора | 1 | LH | |||
| 5 | N317574 | Щиток | 1 | LH | ||
| N317829 | Щиток | 1 | RH | |||
| 6 | 14M7593 | Стопорная гайка | 4 | M10 | ||
| 7 | 19M9854 | Винт | 2 | M12 X 90 | ||
| 8 | 03M7397 | Болт | 4 | M12 X 35 | ||
| key | PART NO. | PART NAME | QTY | SERIAL NO. | REMARKS | |
| 9 | 03M7200 | Болт | 2 | M12 X 40 | ||
| 10 | 14M7644 | Стопорная гайка | 6 | M12 | ||
| 11 | N209597 | Уголок | 1 | LH | ||
| N209598 | Уголок | 1 | RH | |||
| 12 | 19M9829 | Винт с головкой | 2 | M16 X 140 | ||
| 13 | AN305862 | Кронштейн | 1 | RH | ||
| AN305863 | Кронштейн | 1 | LH (ILLUSTRATED) | |||
| 14 | 14M7651 | Стопорная гайка | 2 | M16 | ||
| 15 | N306550 | Хомут | 1 | |||
| 16 | 37M7431 | Винт | 16 | M8 X 16 | ||
| key | PART NO. | PART NAME | QTY | SERIAL NO. | REMARKS | |
| 17 | 24M7520 | Шайба | 28 | 8.400 X 24 X 2 mm | ||
| 18 | 19M9837 | Винт | 12 | M8 X 25 | ||
| 19 | 24M7521 | Шайба | 4 | 17 X 30 X 3 mm | ||
| 20 | 19M7720 | Винт с головкой | 1 | M16 X 80 | ||
| 21 | 14M7291 | Фланцевая гайка | 1 | M16 | ||
| 22 | 24M7338 | Шайба | 1 | 17 X 30 X 3 mm | ||
| 23 | 19M7793 | Винт | 1 | M16 X 40 | ||
| 24 | N319067 | Уплотнение | 1 |
| key | PART NO. | PART NAME | QTY | SERIAL NO. | REMARKS | |
|---|---|---|---|---|---|---|
| 1 | RE239212 | Опора | 1 | Задний капот | ||
| 2 | R218522 | Кронштейн | 1 | LH | ||
| 3 | 37M7131 | Винт | 11 | M6 X 20 | ||
| 4 | AN305065 | Панель | 1 | LH | ||
| 5 | 24M7463 | Шайба | 2 | 6.400 X 18 X 1.600 mm | ||
| 6 | RE201362 | Бак | 1 | |||
| 7 | 34M7049 | Пружинный шплинт | 4 | 8 X 50 mm | ||
| 8 | 19M9149 | Винт с головкой | 4 | M12 X 35 | ||
| 9 | 24M7614 | Шайба | 4 | 13 X 24 X 2.500 mm | ||
| 10 | 19M9873 | Винт | 2 | M12 X 25 | ||
| key | PART NO. | PART NAME | QTY | SERIAL NO. | REMARKS | |
| 11 | RE285912 | Панель | 1 | RH | ||
| 12 | R218521 | Кронштейн | 1 | RH | ||
| 13 | R196671 | Теплозащитный экран | 1 | |||
| 14 | 19M9985 | Винт | 2 | M12 X 40 | ||
| 15 | 14M7724 | Стопорная гайка | 2 | M12 | ||
| 16 | 37M7449 | Винт | 1 | M6 X 30 | ||
| 17 | 28H3376 | Распорная втулка | 1 | 0.364" X 0.540" X 9/16" | ||
| 18 | N306664 | Пластина | 1 | Выхлопная труба | ||
| 19 | R285506 | Винт | 4 | |||
| 20 | 24M7051 | Шайба | 6 | 21 X 37 X 3 mm | ||
| key | PART NO. | PART NAME | QTY | SERIAL NO. | REMARKS | |
| 21 | 24M7463 | Шайба | 1 | 6.400 X 18 X 1.600 mm | ||
| 22 | R282485 | Уплотнение | 2 | |||
| 23 | N305300 | Шайба | 1 | 37.084 X 3.048 mm |
| key | PART NO. | PART NAME | QTY | SERIAL NO. | REMARKS | |
|---|---|---|---|---|---|---|
| 1 | 24M7463 | Шайба | 1 | 6.400 X 18 X 1.600 mm | ||
| 2 | 19M9841 | Винт | 2 | M8 X 50 | ||
| 3 | AN305065 | Панель | 1 | |||
| 4 | H169568 | Винт | 2 | |||
| 5 | M44778 | Шайба | 2 | |||
| 6 | N310326 | Шпилька | 2 | |||
| 7 | R230227 | Шайба | 2 | |||
| 8 | R250746 | Болт | 2 | |||
| 9 | R270020 | Панель | 1 | SUB FOR R299281 | ||
| 10 | R270023 | Панель | 1 | |||
| key | PART NO. | PART NAME | QTY | SERIAL NO. | REMARKS | |
| 11 | R285506 | Винт | 4 | |||
| 12 | RE285912 | Панель | 1 | |||
| 13 | 14M7722 | Стопорная гайка | 2 | M8 | ||
| 14 | 24H1956 | Шайба | 2 | 29/64" X 13/16" X 0.065" | ||
| 15 | 14M7649 | Фланцевая гайка | 2 | M8 |
| key | PART NO. | PART NAME | QTY | SERIAL NO. | REMARKS | ||
|---|---|---|---|---|---|---|---|
| 1A | R181980 | Решетка | 1 | - | 056020 | ||
| 1B | R563551 | Решетка | 1 | 056021 | - | ||
| 2 | R181978 | Решетка | 1 | ||||
| 3 | R181979 | Решетка | 1 | RH | |||
| 4 | 37M7348 | Винт | AR | ||||
| 5 | R54477 | Заклепка | 8 | ||||
| 6 | 24M7138 | Шайба | 8 | 5.300 X 15 X 1 mm | |||
| 7 | AL203265 | Гудок | 1 | ||||
| 8 | R181981 | Корпус | 1 | ||||
| 9 | R209908 | Сальник | 1 | LH | |||
| key | PART NO. | PART NAME | QTY | SERIAL NO. | REMARKS | ||
| 10 | 14M7723 | Стопорная гайка | 1 | M10 | |||
| 11 | JD5861 | Метка | 1 | ||||
| 12 | R209907 | Сальник | 1 | RH | |||
| 13 | 19M7185 | Винт с головкой | 1 | M8 X 60 | |||
| 14 | 19M9830 | Винт | 2 | M6 X 12 | |||
| 15 | RE229168 | Рама | 1 | ||||
| 16 | R207529 | Изолятор | 4 | ||||
| 17 | R195278 | Пружина сжатия | 6 | ||||
| 18 | R207530 | Изолятор | 4 | ||||
| 19 | R207528 | Сальник | 2 | ||||
| key | PART NO. | PART NAME | QTY | SERIAL NO. | REMARKS | ||
| 20 | M73135 | Прижимная гайка | 6 | ||||
| 21 | 14M7743 | Гайка | 1 | M8 | |||
| 22 | SJ32977 | Блокировка | 1 | USE WITH R563551 | |||
| 23 | RE563948 | Метка | 1 | USE WITH R563551 | |||
| 24 | RE183935 | Кнопка | 1 | USE WITH R563551 | |||
| 25 | R563950 | Эксцентрик | 1 | USE WITH R563551 | |||
| 26 | R563949 | Распорная втулка | 1 | USE WITH R563551 | |||
| 27 | 14M7303 | Фланцевая гайка | 1 | M6 USE WITH R563551 |
| key | PART NO. | PART NAME | QTY | SERIAL NO. | REMARKS | ||
|---|---|---|---|---|---|---|---|
| 1 | 19M9182 | Винт | 2 | M8 X 30 | |||
| 2 | RE205602 | Фиксатор | 1 | ||||
| 3 | 37M7199 | Винт | 3 | ||||
| 4 | 14M7327 | Стопорная гайка | 2 | M8 | |||
| 5 | R196763 | Кронштейн | 1 | ||||
| 6A | R222050 | Рукоятка | 1 | - | 056020 | ||
| 6B | R563554 | Рукоятка | 1 | 056021 | - | ||
| 7 | AN304599 | Стержень | 1 | (B) | |||
| 8A | R198032 | Ограничитель | 1 | (B) ORDER N310161 | |||
| 8B | N310161 | Ограничитель | 1 | (A) | |||
| key | PART NO. | PART NAME | QTY | SERIAL NO. | REMARKS | ||
| 9 | 19M7298 | Винт с головкой | 2 | M8 X 35 USE WITH N310161 | |||
| 19M9821 | Винт с головкой | 2 | M8 X 20 USE WITH R198032 | ||||
| 10 | 14M7528 | Стопорная гайка | 1 | M6 | |||
| 11 | 19M7077 | Винт с головкой | 1 | M6 X 20 | |||
| 12 | RE324919 | Кабель | 1 | (A) | |||
| RE219261 | Кабель | 1 | (B) | ||||
| 13 | RE209964 | Крышка | 1 | ||||
| 14 | KK41112 | Пластина | 3 | ||||
| 15 | 19M9821 | Винт с головкой | 4 | M8 X 20 USE WITH R563554 | |||
| 16 | RE582485 | Ограничитель | 1 | USE WITH R563554 |
| key | PART NO. | PART NAME | QTY | SERIAL NO. | REMARKS | |
|---|---|---|---|---|---|---|
| 1 | AN303275 | Фитинг шланга | 4 | USE WITH AN303277 | ||
| 2 | AN303331 | Обратный клапан | 4 | |||
| 3 | AN302835 | Фитинг шланга | 8 | |||
| 4 | N303869 | Глушитель | 4 | |||
| 5 | AN303278 | Кулиса | 4 | |||
| 6 | 19M9844 | Винт | 8 | M10 X 20 | ||
| 7 | N302138 | Пластина | 4 | |||
| 8 | ...... | Изоляционная трубка | 1 | CTL 1800 mm (70.9"), MF PM12CNBS-500 | ||
| 9 | ...... | Винт с головкой | 4 | |||
| 10 | ...... | Шайба | 4 | |||
| key | PART NO. | PART NAME | QTY | SERIAL NO. | REMARKS | |
| 11 | ...... | Стопорная гайка | 4 | |||
| 12A | N313333 | Кронштейн | 1 | |||
| 12B | KK13708 | Кронштейн | 1 | SUB FOR N313333 | ||
| 13A | AKK21931 | Контрольный клапан | 4 | ORDER AN303277 | ||
| AN303277 | Контрольный клапан | 4 | ORDER AKK23585 | |||
| 13B | AKK23585 | Контрольный клапан | 4 | |||
| 14 | 19M9981 | Винт | 4 | M6 X 50 | ||
| 15 | N207956 | Стопорная гайка | 4 | |||
| 16 | N307233 | Метка | 1 | English | ||
| N309176 | Метка | 1 | Spanish | |||
| key | PART NO. | PART NAME | QTY | SERIAL NO. | REMARKS | |
| N309177 | Метка | 1 | French | |||
| N309178 | Метка | 1 | Portuguese | |||
| N309179 | Метка | 1 | Russian | |||
| N309180 | Метка | 1 | Chinese | |||
| N309181 | Метка | 1 | Hungarian | |||
| N310232 | Метка | 1 | Turkish | |||
| N315770 | Метка | 1 | Czech | |||
| N315771 | Метка | 1 | Slovakian | |||
| N315772 | Метка | 1 | Romanian | |||
| 17 | ...... | Шланг | 1 | MF TY25741 | ||
| key | PART NO. | PART NAME | QTY | SERIAL NO. | REMARKS | |
| 18 | AN302702 | Фитинг шланга | 2 | |||
| 19A | AN206728 | Коленчатый патрубок | 1 | ORDER AN303013; USE WITH AN303277 | ||
| 19B | AN303013 | Фитинг шланга | 5 | USE WITH AKK23585 | ||
| 20 | 15H715 | Трубная втулка | 1 | 1/4" | ||
| 21 | AN207478 | Клапан | 1 | |||
| 22 | AN204762 | Тройник | 7 | |||
| 23 | ...... | Шланг | 1 | MF TY25741; USE WITH AN303277 | ||
| 24 | AN302201 | Контрольный клапан | 4 | |||
| 25 | ...... | Шланг | 1 | MF TY25741 | ||
| 26 | H77698 | Обвязной хомут | 4 | |||
| key | PART NO. | PART NAME | QTY | SERIAL NO. | REMARKS | |
| 27 | KK36375 | Кронштейн | 4 | |||
| 28 | KK36376 | Кронштейн | 4 | |||
| 29 | KK36377 | Кронштейн | 4 | |||
| 30 | 14M7722 | Стопорная гайка | AR | M8 | ||
| 31 | R46414 | Скоба | 4 | |||
| 32 | 19M9837 | Винт | 2 | M8 X 25 | ||
| 33 | 19M9836 | Винт | 8 | M8 X 20 | ||
| 34 | AKK12494 | Фитинг шланга | 4 | USE WITH AKK23585 | ||
| 35 | KK41320 | Адаптер | 4 | USE WITH AKK23585 | ||
| 36 | AKK23765 | Фитинг шланга | 4 | USE WITH AKK23585 | ||
| key | PART NO. | PART NAME | QTY | SERIAL NO. | REMARKS | |
| 37 | 15H696 | Трубная заглушка | 4 | 1/4" USE WITH AKK23585 | ||
| 38 | AKK24983 | Обратный клапан | 4 | USE WITH AKK23585 | ||
| 39 | N317880 | Коленчатый патрубок | 4 | USE WITH AKK23585 | ||
| 40 | R40694 | Фланцевая гайка | 8 | USE WITH AKK23585 | ||
| 41 | ...... | Труба | 4 | CTL 381, MF TY25741; USE WITH AN303277 | ||
| 42 | AN306204 | Коленчатый патрубок | 4 | USE WITH AKK23585 |
| key | PART NO. | PART NAME | QTY | SERIAL NO. | REMARKS | |
|---|---|---|---|---|---|---|
| 1 | ...... | Отсек для хран. инстр. | 1 | |||
| 2 | AN273411 | Фиксатор | 2 | |||
| 3 | 21M7464 | Винт | 14 | M5 X 12 | ||
| 4 | N311829 | Изолятор | 1 | |||
| 5 | 14M7265 | Стопорная гайка | 8 | M5 | ||
| 6 | AN302519 | Шарнир | 1 | |||
| 7 | ...... | Дверца | 1 | MF N311431 | ||
| 8 | N275220 | Задвижка | 2 | |||
| 9 | R117237 | Заглушка | 1 | |||
| 10 | AN302276 | Отсек для хран. инстр. | 1 | |||
| key | PART NO. | PART NAME | QTY | SERIAL NO. | REMARKS | |
| 11 | 24M7520 | Шайба | 4 | 8.400 X 24 X 2 mm | ||
| 12 | 14M7591 | Стопорная гайка | 4 | M8 | ||
| 13 | 03M7395 | Болт | 2 | M10 X 25 | ||
| 14 | 19M9845 | Винт | 2 | M10 X 25 | ||
| 15 | 21M7580 | Винт с гол. п/торц. кл. | 4 | M8 X 25 | ||
| 16 | N310298 | Гайка | 4 | |||
| 17 | N317605 | Опора | 1 |
| key | PART NO. | PART NAME | QTY | SERIAL NO. | REMARKS | |
|---|---|---|---|---|---|---|
| 1 | N205628 | Сальник | 2 | (A) | ||
| 2 | N205629 | Сальник | 2 | (B) | ||
| 3 | N205630 | Втулка | 3 | |||
| 4 | ...... | Смазочная арматура | 1 | |||
| 5 | N205639 | Стопор | 1 | (C) | ||
| 6 | N205682 | Уплотнительное кольцо | 1 | |||
| 7 | N205638 | Пружинное кольцо | 1 | |||
| 8 | N206080 | Установочный штифт | 1 |
| key | PART NO. | PART NAME | QTY | SERIAL NO. | REMARKS | |
|---|---|---|---|---|---|---|
| 1 | N205638 | Пружинное кольцо | 2 | |||
| 2 | N206080 | Установочный штифт | 2 | |||
| 3 | N205628 | Сальник | 2 | (A) | ||
| 4 | N205629 | Сальник | 2 | (B) | ||
| 5 | N205682 | Уплотнительное кольцо | 2 | |||
| 6 | N205639 | Стопор | 2 | (C) | ||
| 7 | N205630 | Втулка | 2 |
| key | PART NO. | PART NAME | QTY | SERIAL NO. | REMARKS | |
|---|---|---|---|---|---|---|
| 1 | ...... | Изоляционная трубка | 2 | USE WITH AN303277; CTL 3815 mm, MF PM12CNBS-500 | ||
| ...... | Изоляционная трубка | 2 | USE WITH AKK23585; CTL 3790 mm, MF TY26188 | |||
| 2 | ...... | Труба | 2 | USE WITH AN303277; CTL 4030 mm, MF TY25741 | ||
| ...... | Вентиляционная труба | 2 | USE WITH AKK23585; CTL 3955 mm, MF TY26453 | |||
| 3 | ...... | Труба | 1 | CTL 4100 mm, MF TY25741; USE WITH AN303277 | ||
| ...... | Вентиляционная труба | 2 | CTL 4010 mm, MF TY25741; USE WITH AKK25585 | |||
| 4 | AN204762 | Тройник | 7 | USE WITH AN303277 | ||
| AN404003 | Тройник | 4 | USE WITH AKK23585 | |||
| 5 | ...... | Труба | 2 | USE WITH AN303277; CTL 203 mm, MF TY25741 | ||
| ...... | Вентиляционная труба | 1 | USE WITH AKK23585; CTL 203 mm, MF TY25741 | |||
| key | PART NO. | PART NAME | QTY | SERIAL NO. | REMARKS | |
| ...... | Вентиляционная труба | 1 | USE WITH AKK23585; CTL 205 mm, MF TY26453 | |||
| 6 | ...... | Труба | 1 | USE WITH AN303277; CTL 325 mm, MF TY25741 | ||
| ...... | Вентиляционная труба | 1 | USE WITH AKK23585; CTL 325 mm, MF TY25741 | |||
| 7 | ...... | Труба | 1 | USE WITH AN303277; CTL 160 mm, MF TY25741 | ||
| ...... | Вентиляционная труба | 1 | USE WITH AKK23585; CTL 160 mm, MF TY25741 | |||
| 8 | ...... | Труба | 1 | USE WITH AN303277; CTL 1880 mm, MF TY25741 | ||
| ...... | Вентиляционная труба | 1 | USE WITH AKK23585; CTL 1880 mm, MF TY25741 | |||
| 9 | ...... | Труба | 1 | USE WITH AN303277; CTL 520 mm, MF TY25741 | ||
| ...... | Вентиляционная труба | 1 | USE WITH AKK23585; CTL 505 mm, MF TY26453 | |||
| 10 | ...... | Изоляционная трубка | 1 | CTL 125 mm, MF PM12CNBS-500 | ||
| key | PART NO. | PART NAME | QTY | SERIAL NO. | REMARKS | |
| 11 | ...... | Изоляционная трубка | 1 | USE WITH AN303277; CTL 260 mm, MF PM12CNBS-500 | ||
| ...... | Изоляционная трубка | 1 | USE WITH AKK23585; CTL 245 mm, MF TY26188 | |||
| 12 | ...... | Изоляционная трубка | 1 | USE WITH AN303277; CTL 100 mm, MF PM12CNBS-500 | ||
| ...... | Изоляционная трубка | 1 | USE WITH AKK23585; CTL 80 mm, MF TY26188 | |||
| 13 | ...... | Изоляционная трубка | 1 | USE WITH AN303277; CTL 1830 mm, MF PM14CNBS-250 | ||
| ...... | Изоляционная трубка | 1 | USE WITH AKK23585; CTL 1800 mm, MF TY26184 | |||
| 14 | AN302835 | Фитинг шланга | 1 | |||
| 15 | AN207478 | Клапан | 1 | |||
| 16 | ...... | Изоляционная трубка | 1 | CTL 1800 mm, MF PM12CNBS-500 | ||
| 17 | ...... | Труба | 1 | USE WITH AN303277; CTL 2109 mm, MF TY25741 | ||
| key | PART NO. | PART NAME | QTY | SERIAL NO. | REMARKS | |
| ...... | Вентиляционная труба | 1 | USE WITH AKK23585; CTL 2115 mm, MF TY26453 | |||
| 18 | AN206728 | Коленчатый патрубок | 1 | |||
| 19 | 15H642 | Трубная втулка | 1 | 1/4" | ||
| 20 | AN303331 | Обратный клапан | 1 | |||
| 21 | AN302702 | Фитинг шланга | 1 | USE WITH AN303277 | ||
| AN303329 | Фитинг шланга | 1 | USE WITH AKK23585 | |||
| AN303012 | Фитинг шланга | 1 | USE WITH AKK23585 | |||
| 22 | ...... | Труба | 1 | USE WITH AN303277; CTL 2160 mm, MF TY25741 | ||
| ...... | Вентиляционная труба | 1 | USE WITH AKK23585; CTL 2160 mm, MF TY25741 | |||
| 23 | 19M7867 | Винт | 1 | M8 X 25 | ||
| key | PART NO. | PART NAME | QTY | SERIAL NO. | REMARKS | |
| 24 | N310386 | Пластина | 1 | |||
| 25 | R46414 | Скоба | 1 | |||
| 26 | E63525 | Гайка | 1 | |||
| 27 | AN303330 | Фитинг шланга | 3 | |||
| 28 | ...... | Вентиляционная труба | 1 | USE WITH AKK23585; CTL 5355 mm, MF TY26188 | ||
| 29 | ...... | Вентиляционная труба | 1 | USE WITH AKK23585; CTL 5390 mm, MF TY26453 | ||
| 30 | ...... | Изоляционная трубка | 1 | USE WITH AKK23585; CTL 5155 mm, MF TY26188 | ||
| 31 | AKK25788 | Вентиляционная труба | 1 | USE WITH AKK23585 | ||
| 32 | AKK25789 | Вентиляционная труба | 1 | USE WITH AKK23585 | ||
| 33 | AKK25785 | Вентиляционная труба | 1 | USE WITH AKK23585 | ||
| key | PART NO. | PART NAME | QTY | SERIAL NO. | REMARKS | |
| 34 | AKK25784 | Вентиляционная труба | 1 | USE WITH AKK23585 |
| key | PART NO. | PART NAME | QTY | SERIAL NO. | REMARKS | |
|---|---|---|---|---|---|---|
| 1 | 21M7639 | Винт | 7 | M6 X 25 | ||
| 2 | 24M7463 | Шайба | 7 | 6.400 X 18 X 1.600 mm | ||
| 3 | 24M7520 | Шайба | 2 | 8.400 X 24 X 2 mm | ||
| 4 | 37M7451 | Винт | 2 | M8 X 25 | ||
| 5 | N209610 | Панель | 1 | |||
| 6 | N405171 | Крышка | 1 | |||
| 7 | ...... | Изолятор | 1 | MF T61861 |
| key | PART NO. | PART NAME | QTY | SERIAL NO. | REMARKS | |
|---|---|---|---|---|---|---|
| 1 | R231311 | Сальник | 1 | |||
| 2 | R192465 | Кронштейн | 1 | |||
| 3 | 37M7348 | Винт | AR | |||
| 4 | R237212 | Изолятор | 2 | |||
| 5 | R237209 | Изолятор | 1 | |||
| 6 | R192464 | Кронштейн | 1 | |||
| 7 | 19M7865 | Винт | 4 | M8 X 16 |
| key | PART NO. | PART NAME | QTY | SERIAL NO. | REMARKS | |
|---|---|---|---|---|---|---|
| 1 | N307016 | Пластина | 1 | RH, ORDER KK32002 Ширина колеи | ||
| KK32002 | Пластина | 1 | RH Ширина колеи | |||
| N307017 | Пластина | 1 | LH, ORDER KK32003 Ширина колеи | |||
| KK32003 | Пластина | 1 | LH Ширина колеи | |||
| 2 | N317903 | Винт | 6 | |||
| 3 | N302160 | Пластина | 2 | Только ручная регулировка ширины колеи | ||
| N205631 | Пластина | 2 | Только гидравлическая р егулировка ширины колеи | |||
| 4 | 14M7677 | Гайка | 6 | |||
| 5 | AN205471 | Гидравлический цилиндр | 1 | USE WITH AN205472 Регулир овка ширины колеи (черный) | ||
| AN205477 | Комплект уплотнений | 1 | USE WITH AN205471 | |||
| key | PART NO. | PART NAME | QTY | SERIAL NO. | REMARKS | |
| AN303345 | Гидравлический цилиндр | 1 | USE WITH AN303346 Регулир овка ширины колеи (черный) | |||
| AH229802 | Комплект гидроцилиндров | 1 | USE WITH AN303345 | |||
| 6 | N186178 | Крепление со штифтом | 2 | |||
| 7 | AA21292 | Быстрозамыкающийся штифт | 4 | |||
| 8 | N209188 | Опора | 2 | Только ручная регулировка ширины колеи | ||
| N305164 | Опора | 2 | Только гидравлическая р егулировка ширины колеи | |||
| 9 | N302428 | Регулировочный хомут | 1 | Только ручная регулировка ширины колеи | ||
| 10 | AN207167 | Колено моста | 1 | INCLUDES N205630 | ||
| 11 | 14M7426 | Стопорная гайка | 1 | M8 | ||
| 12 | 19M9370 | Винт | 2 | M10 X 30 | ||
| key | PART NO. | PART NAME | QTY | SERIAL NO. | REMARKS | |
| 13 | 14M7593 | Стопорная гайка | 2 | M10 | ||
| 14 | N310330 | Стопорная гайка | 1 | RH | ||
| 15 | 24H1955 | Шайба | 1 | 13/32" X 13/16" X 0.065" | ||
| 16 | N205220 | Рулевая сошка | 1 | RH | ||
| N304043 | Рулевая сошка | 1 | LH | |||
| 17 | 19M9134 | Винт с головкой | 1 | M20 X 80 | ||
| 18 | JD5801 | Фитинг сброса давления | 1 | |||
| 19 | JD7844 | Смазочная арматура | 1 | |||
| 20 | ET17123 | Смазочная арматура | 1 | |||
| 21 | 34H188 | Пружинный шплинт | 4 | 5/16" X 1-3/4" | ||
| key | PART NO. | PART NAME | QTY | SERIAL NO. | REMARKS | |
| 22 | AT157226 | Зеркало заднего вида | 1 | |||
| 23 | AN205457 | Опора | 1 | RH | ||
| AN203589 | Опора | 1 | LH | |||
| 24 | N319647 | Кронштейн | 1 | |||
| 25 | R198608 | Заглушка | 2 | |||
| 26 | N205534 | Уголок | 1 | RH | ||
| N205535 | Уголок | 1 | LH | |||
| 27 | 19M7867 | Винт | 1 | M8 X 25 | ||
| 28 | N305163 | Трак | 2 | ORDER KK32893 | ||
| KK32893 | Трак | 2 | ||||
| key | PART NO. | PART NAME | QTY | SERIAL NO. | REMARKS | |
| 29 | N404583 | Метка | 1 | RH, Wheel Spacing | ||
| N404584 | Метка | 1 | LH | |||
| 30 | 19M7795 | Винт | 3 | M20 X 55 | ||
| 31 | 19M9154 | Винт с головкой | 4 | M20 X 60 | ||
| 32 | 19M10369 | Винт с головкой | 4 | M20 X 45 |
| key | PART NO. | PART NAME | QTY | SERIAL NO. | REMARKS | |
|---|---|---|---|---|---|---|
| 1 | 19M9830 | Винт | 14 | M6 X 12 | ||
| 2 | R200828 | Направляющая | 2 | |||
| 3 | 19M7603 | Винт | 4 | M6 X 20 | ||
| 4 | R242495 | Теплозащитный экран | 1 | |||
| 5 | R256375 | Теплозащитный экран | 1 | |||
| 6 | 37M7352 | Винт | 4 | |||
| 7 | 37M7340 | Болт | 2 | |||
| 8 | 24M7087 | Шайба | 2 | 5.500 X 10 X 1 mm | ||
| 9 | R169906 | Устройство | 1 | |||
| 10 | RE308452 | Капот | 1 |
| key | PART NO. | PART NAME | QTY | SERIAL NO. | REMARKS | |
|---|---|---|---|---|---|---|
| 1 | ...... | Пластина | 1 | |||
| 2 | 19M9828 | Винт с головкой | 3 | M16 X 80 | ||
| 3 | 14M7647 | Гайка | 3 | M16 | ||
| 4 | N209455 | Метка | 1 | Caution | ||
| 5 | N209859 | Метка | 1 | (A) Operating Instructions to Jack Machine | ||
| N209860 | Метка | 1 | (B) | |||
| N209861 | Метка | 1 | (C) | |||
| N209862 | Метка | 1 | (D) | |||
| 6 | 24M7521 | Шайба | 6 | 17 X 30 X 3 mm | ||
| 7 | 19M9985 | Винт | 2 | M12 X 40 | ||
| key | PART NO. | PART NAME | QTY | SERIAL NO. | REMARKS | |
| 8 | AN205298 | Комплект кронштейна | 1 |
| key | PART NO. | PART NAME | QTY | SERIAL NO. | REMARKS | |
|---|---|---|---|---|---|---|
| 1 | RE218282 | Элемент жесткости | 1 | |||
| 2 | 19M9405 | Винт | 4 | M8 X 16 | ||
| 3 | R181974 | Штифт | 1 | |||
| 4 | R201080 | Шайба | 6 | |||
| 5 | RE573803 | Шарнир | 1 | SUB FOR RE212735 | ||
| 6 | R208851 | Болт | 4 | |||
| 7 | 24M7614 | Шайба | 8 | 13 X 24 X 2.500 mm | ||
| 8 | 14M7327 | Стопорная гайка | 2 | M8 | ||
| 9 | RE206295 | Рычажный механизм | 1 | |||
| 10 | L110067 | Установочный штифт | 2 | |||
| key | PART NO. | PART NAME | QTY | SERIAL NO. | REMARKS | |
| 11 | 44M7036 | Установочный штифт | 2 | |||
| 12 | 14M7302 | Сварочная гайка | 4 | M12 | ||
| 13 | 19M8011 | Винт с головкой | 4 | M12 X 30 | ||
| 14 | 19M9831 | Винт | 2 | M6 X 16 | ||
| 15 | RE573827 | Газовый цилиндр | 2 | |||
| 16 | 55M7011 | Шаровой палец | 4 |
| key | PART NO. | PART NAME | QTY | SERIAL NO. | REMARKS | |
|---|---|---|---|---|---|---|
| 1 | N317903 | Винт | 6 | |||
| 2 | 14M7677 | Гайка | 6 | |||
| 3 | AN303346 | Гидравлический цилиндр | 1 | (A) USE WITH AN303345 | ||
| AH229801 | Комплект гидроцилиндров | 1 | ||||
| 4 | N186178 | Крепление со штифтом | 2 | |||
| 5 | AA21292 | Быстрозамыкающийся штифт | 2 | |||
| 6 | N205631 | Прокладка | 2 | (B) | ||
| N302160 | Пластина | 2 | (C) | |||
| 7 | N302426 | Регулировочный хомут | 1 | (C) | ||
| 8 | N305164 | Прокладка | 2 | (B) | ||
| key | PART NO. | PART NAME | QTY | SERIAL NO. | REMARKS | |
| N209188 | Опора | 2 | (C) | |||
| AN204591 | Комплект прокладок | 1 | ||||
| 9 | AN207169 | Колено моста | 1 | LH | ||
| AN207168 | Колено моста | 1 | RH | |||
| 10 | JD5801 | Фитинг сброса давления | 1 | |||
| 11 | JD7844 | Смазочная арматура | 1 | |||
| 12 | ET17123 | Смазочная арматура | 1 | |||
| 13 | N302273 | Кронштейн | 1 | LH | ||
| N302272 | Кронштейн | 1 | RH | |||
| 14 | 14M7291 | Фланцевая гайка | 2 | M16 | ||
| key | PART NO. | PART NAME | QTY | SERIAL NO. | REMARKS | |
| 15 | 34H188 | Пружинный шплинт | 2 | 5/16" X 1-3/4" | ||
| 16 | N305163 | Трак | 2 | ORDER KK32893 | ||
| KK32893 | Трак | 2 | ||||
| 17 | R198608 | Заглушка | 2 |
| key | PART NO. | PART NAME | QTY | SERIAL NO. | REMARKS | |
|---|---|---|---|---|---|---|
| 1 | L169060 | Крепление со штифтом | 2 | |||
| 2 | L18955 | Быстрозамыкающийся штифт | 2 | |||
| 3 | R545180 | Масса | AR | 50 Kg | ||
| 4 | 19M7882 | Винт | 1 | M16 X 170 4 Front Weight | ||
| 19M8976 | Винт с головкой | 1 | M16 X 320 8 Front Weight | |||
| 19M10362 | Винт с головкой | 2 | M16 X 240 | |||
| 5 | R215715 | Опора | 1 | |||
| 6 | 14M7276 | Гайка | 1 | M16 | ||
| 14M7651 | Стопорная гайка | 2 | M16 | |||
| 7 | 12M7044 | Стопорная шайба | 2 | 18.500 mm | ||
| key | PART NO. | PART NAME | QTY | SERIAL NO. | REMARKS | |
| 24M7521 | Шайба | 4 | 17 X 30 X 3 mm | |||
| 8 | 19M9141 | Винт с головкой | 4 | M20 X 150 | ||
| 9 | 24M7242 | Шайба | 4 | 21.400 X 42 X 5 mm |
| key | PART NO. | PART NAME | QTY | SERIAL NO. | REMARKS | |
|---|---|---|---|---|---|---|
| 1 | CB01415513 | Опора | 1 | |||
| 2 | JD5931 | Знак ТТС | 1 | |||
| 3 | 14M7592 | Стопорная гайка | 2 | M6 | ||
| 4 | 19M9404 | Винт | 2 | M6 X 20 |
| key | PART NO. | PART NAME | QTY | SERIAL NO. | REMARKS | |
|---|---|---|---|---|---|---|
| 1 | 14M7721 | Стопорная гайка | 2 | M6 | ||
| 2 | 19M9404 | Винт | 2 | M6 X 20 | ||
| 3 | WZ2600028 | Знак | 1 | |||
| 4 | KK36462 | Опора | 1 |
| key | PART NO. | PART NAME | QTY | SERIAL NO. | REMARKS | |
|---|---|---|---|---|---|---|
| 1 | 14M7722 | Стопорная гайка | 8 | M8 | ||
| 2 | 19M9837 | Винт | 4 | M8 X 25 | ||
| 3 | AH230252 | Огнетушитель | 1 | |||
| 4 | AH230253 | Огнетушитель | 1 | |||
| 5 | N312883 | П-образный болт | 2 | |||
| 6 | N408377 | Пластина | 1 | |||
| 7 | Z63298 | Метка | 1 |
| key | PART NO. | PART NAME | QTY | SERIAL NO. | REMARKS | |
|---|---|---|---|---|---|---|
| 1 | KK35391 | Пластина | 1 | |||
| 2 | N312883 | П-образный болт | 2 | |||
| 3 | 14M7722 | Стопорная гайка | 8 | M8 | ||
| 4 | 19M9837 | Винт | 4 | M8 X 25 | ||
| 5 | CXT17554 | Кронштейн | 1 | |||
| 6 | Z63298 | Метка | 1 |
| key | PART NO. | PART NAME | QTY | SERIAL NO. | REMARKS | |
|---|---|---|---|---|---|---|
| 1 | AL26777 | Колодка противоукатывания | 2 | |||
| 2 | AL26778 | Опора | 2 | |||
| 3 | KK16894 | Уголок | 1 | |||
| 4 | KK16895 | Уголок | 1 | |||
| 5 | 14M7723 | Стопорная гайка | 4 | M10 | ||
| 6 | AL41725 | Пружина растяжения | 2 | |||
| 7 | 03M7427 | Болт | 4 | M10 X 30 |
| key | PART NO. | PART NAME | QTY | SERIAL NO. | REMARKS | |
|---|---|---|---|---|---|---|
| 1 | BKK10633 | Комплект ограждений | 1 |
| key | PART NO. | PART NAME | QTY | SERIAL NO. | REMARKS | |
|---|---|---|---|---|---|---|
| 1 | 19M9836 | Винт | 16 | M8 X 20 | ||
| 2 | WZ2600027 | Знак | 2 | |||
| 3 | WZ2600026 | Знак | 2 | |||
| 4 | 14M7722 | Стопорная гайка | 16 | M8 |
| key | PART NO. | PART NAME | QTY | SERIAL NO. | REMARKS | |
|---|---|---|---|---|---|---|
| 1 | KK36336 | Метка | 1 |